WHAT IS:-(R.A.D.I.O) !.............
WHAT IS:-(R.A.D.I.O) !.............
This article is about science and technology. For broadcasting, see Radio Broadcast. For device information, see Radio Receiver. For other uses, see Radio (disambiguation). Radio is a signaling and communication technology using radio waves. Radio waves are electromagnetic waves with frequencies between 30 hertz (Hz) and 300 gigahertz (GHz). They are produced by an electronic device called a transmitter connected to an antenna that emits waves that are received by another antenna connected to a radio receiver. Radios are very widely used in modern technology in radio communications, radar, radio navigation, remote control, remote sensing, and other applications. Numerous radio antennas at Sandia Peak near Albuquerque, New Mexico, USA Used to transmit information through space from a transmitter to a receiver. In radar, used to locate and track objects such as aircraft, ships, spacecraft, and missiles, a beam of radio waves emitted by a radar transmitter is reflected by a target object, and the reflected waves cause the object to travel. position becomes clear.
In radio navigation systems such as GPS and VOR, mobile receivers receive radio waves from navigation beacons whose positions are known and accurately measure the arrival time of the radio waves to calculate their position on the earth. increase. In wireless remote control devices such as drones, garage door openers and keyless entry systems, radio signals transmitted by the control device control the operation of the remote device. Radio wave applications where the wave is not transmitted over long distances. B. RF heating in industrial processes and microwave ovens, and medical applications such as diathermy and MRI machines are not usually referred to as radio. The noun radio is also used to describe a radio receiver. The existence of radio waves was first proven on November 11, 1886 by German physicist Heinrich Hertz.In the mid 1890s, building on techniques physicists were using to study electromagnetic waves, Guglielmo Marconi developed the first apparatus for long-distance radio communication, sending a wireless Morse Code message to a source over a kilometre away in 1895 and the first transatlantic signal on December 12, 1901. The first commercial radio broadcast was transmitted on November 2, 1920, when the live returns of the Harding-Cox presidential election were broadcast by Westinghouse Electric and Manufacturing Company in Pittsburgh, under the call sign KDKA. Technology[edit] Radio waves are radiated by electric charges undergoing acceleration.
They are generated artificially by time-varying electric currents, consisting of electrons flowing back and forth in a metal conductor called an antenna. As they travel farther from the transmitting antenna, radio waves spread out, so their signal strength (intensity in watts per square meter) decreases, so radio transmissions can only be received within a limited range of the transmitter, the distance depending on the transmitter power, the antenna radiation pattern, receiver sensitivity, noise level, and the presence of obstructions between the transmitter and receiver. An omnidirectional antenna transmits or receives radio waves in all directions, whereas a directional or high-gain antenna transmits radio waves in a beam in a specific direction or receives radio waves from only one direction. Radio waves travel at the speed of light in a vacuum. Electromagnetic waves other than radio waves, infrared rays, visible light, ultraviolet rays, X-rays and gamma rays can carry information and can be used for communication.
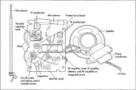
The main reason for the widespread use of radio waves in telecommunications is their favorable propagation characteristics due to their long wavelength. Radio Communications[edit] Radio Communications. Information such as speech is converted into electrical signals by transducers such as microphones. The transducer modulates the radio waves produced by the transmitter. A receiver intercepts the radio waves and extracts the modulated signal that carries the information. This modulated signal is used by another transducer, such as a loudspeaker. Comparison of AM and FM Modulated Radio Waves Wireless communication systems use radio waves to carry information through space. On the transmitting side, some transducers convert the information to be transmitted into a time-varying electrical signal called the modulating signal. The modulated signal can be an audio signal representing sound from a microphone, a video signal representing motion pictures from a video camera, or a digital signal consisting of a series of bits representing binary data from a computer. A modulating signal is applied to the radio transmitter.
At the transmitter, an electronic oscillator produces an alternating current that oscillates at a radio frequency called a carrier wave. This is because it is used to "carry" information through the air. Information signals are used to modulate a carrier wave, changing some aspect of the carrier wave and imposing information on the carrier wave. Different radio systems use different modulation schemes. AM (Amplitude Modulation): In an AM transmitter, the amplitude (strength) of the radio carrier is varied by the modulating signal. 3 FM (Frequency Modulation): In an FM transmitter, the frequency of the radio carrier is varied by a modulating signal. FSK (Frequency-Shift Keying): Used in digital radio devices is to transmit digital signals by shifting the frequency of the carrier wave between frequencies.
OFDM (Orthogonal Frequency Division Multiplexing) is a complex digital modulation widely used to convert digital data in high-bandwidth systems such as Wi-Fi networks, cellular phones, digital television, and digital audio broadcasting (DAB). A family of schemes. Use minimum radio frequency bandwidth. It has higher spectral efficiency than AM and FM and is more resistant to fading. In OFDM, multiple closely spaced radio carriers are transmitted within a radio channel. Multiple bits are transmitted simultaneously in parallel as each carrier is modulated with bits from the incoming bit stream. At the receiver, the carrier is demodulated and the bits are combined in the correct order to form a bit stream. Many other types of modulation are also used. In some types, no carrier is transmitted, only one or both modulation sidebands. A modulated carrier is amplified at the transmitter and applied to the transmit antenna. Transmitting antennas radiate energy as radio waves. The radio waves carry information about the location of the receiver. In a receiver, radio waves induce a small oscillating voltage in the receiving antenna.
This is a weaker replica of the transmit antenna current. This voltage is applied to a radio receiver, which amplifies the weak radio signal to make it stronger, demodulates it, and extracts the original modulating signal from the modulated carrier. The modulated signal is converted into a usable format by a converter. Audio signals are converted into sound waves by speakers or headphones, video signals are converted into images by displays, and digital signals are applied to computers or microprocessors. interact with human usersBecause each transmitter's radio waves oscillate at different frequencies, radio waves from many transmitters pass through the air at the same time without interfering with each other. That is, each transmitter has a different frequency measured in hertz (Hz), kilohertz (kHz), megahertz (MHz), or gigahertz (GHz).
A receiving antenna typically receives radio signals from many transmitters. The receiver uses a tuned circuit to select the desired radio signal from all signals received by the antenna and reject the others. An oscillating circuit (also called a resonant circuit or an oscillating circuit) acts like a resonator similar to a tuning fork. It has a unique resonance frequency at which it vibrates. The resonant frequency of the receiver's resonant circuit is set by the user to the frequency of the desired radio station. This is called "tuning". An oscillating radio signal from the desired transmitter causes the tuned circuit to resonate, resonate and relay the signal to the rest of the receiver. Radio signals at other frequencies are blocked by the oscillator circuit and not transmitted. Bandwidth [edit] The frequency spectrum of a typical modulated AM or FM radio signal. It consists of a component C of carrier frequency {\displaystyle f_{c}} and an information modulation (contained in two narrow frequency bands called sidebands, the SBs just above and below the carrier frequency).
Modulated radio waves carrying information signals occupy a range of frequencies. The information (modulation) in a radio signal is usually concentrated in narrow frequency bands called sidebands (SB) just above and below the carrier frequency. The width in Hertz of the frequency range occupied by a radio signal (the highest frequency minus the lowest frequency) is called the bandwidth (BW). For a given signal-to-noise ratio, a given bandwidth can carry the same amount of information (data rate in bits per second) regardless of where it is located on the radio frequency spectrum, so bandwidth is a measure of information-carrying capacity. It's a scale. The bandwidth required for radio transmission depends on the data rate of the information being transmitted (the modulated signal) and the spectral efficiency (the amount of data that can be transmitted per kilohertz of bandwidth) of the modulation scheme used.Different types of information signals transmitted over the air have different data rates. For example, television signals (video signals) have a higher data rate than audio signals. The radio spectrum, the total range of radio frequencies available for communication in a particular area, is a limited resource. Each radio transmission occupies a portion of the total available bandwidth. Wireless bandwidth is viewed as an expensive and increasingly sought-after economic commodity.
In some parts of the radio spectrum, the rights to use frequency bands or single radio channels are being bought and sold for millions of dollars. As such, there is an incentive to use technology to minimize the bandwidth used by wireless services. The slow transition from analog to digital wireless transmission technology began in the late 1990s. One of the reasons for this is that, among other things, digital modulation allows more bandwidth in a given bandwidth than analog modulation by using data compression algorithms that reduce redundancy in the transmitted data and make the modulation more efficient. The ability to transmit information (high data rate). Other reasons for the migration are that digital modulation is more noise tolerant than analog, digital signal processing chips have more power and flexibility than analog circuits, and different types of information can be transmitted using the same digital modulation. can be mentioned. As a fixed resource demanded by more and more users, the radio spectrum has become increasingly congested in recent decades and the need to use it more effectively has driven the need for many additional radios such as: Innovation is driven. B. Relay radio systems, spread spectrum transmission (ultra-wideband), frequency reuse, dynamic spectrum management, frequency pooling, cognitive radio. Radio emission is regulated by laws coordinated by the International Telecommunications Union (ITU). The ITU allocates frequency bands of the radio spectrum for various purposes.
Applications
Below are some of the most important applications for radios, grouped by function.
Broadcast
Information:
Broadcast AM Radio Station FM Radio Station Television Station with Transmitting Antenna Radio waves weaken with distance and can only be received at a limited distance from the transmitter. Satellite-broadcast systems can usually be received over an entire country or continent. Commercial advertising and governments pay for traditional terrestrial radio and television. With subscription systems such as satellite TV and satellite radio, customers pay a monthly fee. In these systems the radio signal is encrypted and can only be decrypted by the receiver. The receiver is company controlled and can be disabled if there is no current subscription. Broadcasting uses several parts of the radio spectrum, depending on the type of signal being transmitted and the intended audience. Long and medium wave signals can reliably cover ranges of hundreds of kilometers, but they have a more limited capacity to carry information, so they work best with audio signals (speech and music), and their sound quality is similar to that of natural radio noise. or artificial sound sources. The shortwave band has greater potential range, but is more susceptible to interference from distant transmitters and fluctuating atmospheric conditions that affect reception. In the very high frequency band above 30 megahertz, the earth's atmosphere has less influence on the signal range and line-of-sight propagation becomes the main mode. These higher frequencies allow the wide bandwidths needed for television broadcasting. These frequencies have fewer natural and man-made noise sources, so frequency modulation allows for better audio transmission.







+Radio+the+audio+signal+changes+the+amplitude+of+the+carrier+wave..jpg)
Comments
Post a Comment